Jet Jsg-96 Manual . power tool manuals and free pdf instructions. Its purpose, aside from machine operation, is to promote safety through the. this manual is provided by walter meier (manufacturing) inc., covering the safe operation and maintenance procedures for a. Find the user manual you need for your tools and more at manualsonline.
from www.elitemetaltools.com
power tool manuals and free pdf instructions. Find the user manual you need for your tools and more at manualsonline. this manual is provided by walter meier (manufacturing) inc., covering the safe operation and maintenance procedures for a. Its purpose, aside from machine operation, is to promote safety through the.
Jet JSG96 Benchtop 6" x 48" Belt / 9" Disc Sander 3/4HP 1Ph 115V
Jet Jsg-96 Manual power tool manuals and free pdf instructions. power tool manuals and free pdf instructions. Its purpose, aside from machine operation, is to promote safety through the. this manual is provided by walter meier (manufacturing) inc., covering the safe operation and maintenance procedures for a. Find the user manual you need for your tools and more at manualsonline.
From www.probois-machinoutils.com
Belt and disc sander JET JSG 96M Probois Machinoutils Jet Jsg-96 Manual this manual is provided by walter meier (manufacturing) inc., covering the safe operation and maintenance procedures for a. Find the user manual you need for your tools and more at manualsonline. Its purpose, aside from machine operation, is to promote safety through the. power tool manuals and free pdf instructions. Jet Jsg-96 Manual.
From www.igmtools.com
JET JSG96 Combination Belt & Disc Sander IGM Tools & Machinery Jet Jsg-96 Manual Find the user manual you need for your tools and more at manualsonline. power tool manuals and free pdf instructions. this manual is provided by walter meier (manufacturing) inc., covering the safe operation and maintenance procedures for a. Its purpose, aside from machine operation, is to promote safety through the. Jet Jsg-96 Manual.
From www.manualslib.com
JET JSG0470 PARTS LIST Pdf Download ManualsLib Jet Jsg-96 Manual Its purpose, aside from machine operation, is to promote safety through the. this manual is provided by walter meier (manufacturing) inc., covering the safe operation and maintenance procedures for a. Find the user manual you need for your tools and more at manualsonline. power tool manuals and free pdf instructions. Jet Jsg-96 Manual.
From www.probois-machinoutils.com
Band und Tellerschleifer JET JSG 96M Probois Machinoutils Jet Jsg-96 Manual this manual is provided by walter meier (manufacturing) inc., covering the safe operation and maintenance procedures for a. Find the user manual you need for your tools and more at manualsonline. power tool manuals and free pdf instructions. Its purpose, aside from machine operation, is to promote safety through the. Jet Jsg-96 Manual.
From www.probois-machinoutils.com
Band und Tellerschleifer JET JSG 96M Probois Machinoutils Jet Jsg-96 Manual this manual is provided by walter meier (manufacturing) inc., covering the safe operation and maintenance procedures for a. power tool manuals and free pdf instructions. Its purpose, aside from machine operation, is to promote safety through the. Find the user manual you need for your tools and more at manualsonline. Jet Jsg-96 Manual.
From www.thewoodturningstore.com
Jet, JSG96CS, 6" x 48" Belt / 9" Disc Sander with Closed Stand, 3/4HP Jet Jsg-96 Manual Its purpose, aside from machine operation, is to promote safety through the. Find the user manual you need for your tools and more at manualsonline. this manual is provided by walter meier (manufacturing) inc., covering the safe operation and maintenance procedures for a. power tool manuals and free pdf instructions. Jet Jsg-96 Manual.
From www.werchzueglade.ch
JET JSG96M Teller und Bandschleifmaschine 230V, 0.95kW 1000001515 Jet Jsg-96 Manual Find the user manual you need for your tools and more at manualsonline. this manual is provided by walter meier (manufacturing) inc., covering the safe operation and maintenance procedures for a. power tool manuals and free pdf instructions. Its purpose, aside from machine operation, is to promote safety through the. Jet Jsg-96 Manual.
From jettools.fi
Jet JSG96 Benchtop Disc & Belt Sander Jet Jsg-96 Manual this manual is provided by walter meier (manufacturing) inc., covering the safe operation and maintenance procedures for a. power tool manuals and free pdf instructions. Its purpose, aside from machine operation, is to promote safety through the. Find the user manual you need for your tools and more at manualsonline. Jet Jsg-96 Manual.
From www.amazon.ca
JET 708595 JSG96 6Inch/9Inch 3/4Horsepower Benchtop Belt/Disc Jet Jsg-96 Manual this manual is provided by walter meier (manufacturing) inc., covering the safe operation and maintenance procedures for a. Its purpose, aside from machine operation, is to promote safety through the. Find the user manual you need for your tools and more at manualsonline. power tool manuals and free pdf instructions. Jet Jsg-96 Manual.
From jettools.com
Key JSG96112 JET Tools Jet Jsg-96 Manual Its purpose, aside from machine operation, is to promote safety through the. power tool manuals and free pdf instructions. Find the user manual you need for your tools and more at manualsonline. this manual is provided by walter meier (manufacturing) inc., covering the safe operation and maintenance procedures for a. Jet Jsg-96 Manual.
From www.manualslib.com
JET JSG96 OPERATING INSTRUCTIONS AND PARTS MANUAL Pdf Download Jet Jsg-96 Manual power tool manuals and free pdf instructions. Its purpose, aside from machine operation, is to promote safety through the. Find the user manual you need for your tools and more at manualsonline. this manual is provided by walter meier (manufacturing) inc., covering the safe operation and maintenance procedures for a. Jet Jsg-96 Manual.
From eqbo-direct.fr
Ponceuse à disque et à bande JET JSG96 Jet Jsg-96 Manual power tool manuals and free pdf instructions. this manual is provided by walter meier (manufacturing) inc., covering the safe operation and maintenance procedures for a. Its purpose, aside from machine operation, is to promote safety through the. Find the user manual you need for your tools and more at manualsonline. Jet Jsg-96 Manual.
From www.igmtools.com
JET JSG96 Combination Belt & Disc Sander IGM Tools & Machinery Jet Jsg-96 Manual power tool manuals and free pdf instructions. this manual is provided by walter meier (manufacturing) inc., covering the safe operation and maintenance procedures for a. Its purpose, aside from machine operation, is to promote safety through the. Find the user manual you need for your tools and more at manualsonline. Jet Jsg-96 Manual.
From www.elitemetaltools.com
Jet JSG96 Benchtop 6" x 48" Belt / 9" Disc Sander 3/4HP 1Ph 115V Jet Jsg-96 Manual this manual is provided by walter meier (manufacturing) inc., covering the safe operation and maintenance procedures for a. Its purpose, aside from machine operation, is to promote safety through the. power tool manuals and free pdf instructions. Find the user manual you need for your tools and more at manualsonline. Jet Jsg-96 Manual.
From www.werchzueglade.ch
JET JSG96M Teller und Bandschleifmaschine 230V, 0.95kW 1000001515 Jet Jsg-96 Manual Its purpose, aside from machine operation, is to promote safety through the. this manual is provided by walter meier (manufacturing) inc., covering the safe operation and maintenance procedures for a. Find the user manual you need for your tools and more at manualsonline. power tool manuals and free pdf instructions. Jet Jsg-96 Manual.
From www.boshco-dustek.com
Jet JSG96OS Belt/Disc Sander with Open Stand BoshcoDustek, Inc. Jet Jsg-96 Manual Find the user manual you need for your tools and more at manualsonline. power tool manuals and free pdf instructions. Its purpose, aside from machine operation, is to promote safety through the. this manual is provided by walter meier (manufacturing) inc., covering the safe operation and maintenance procedures for a. Jet Jsg-96 Manual.
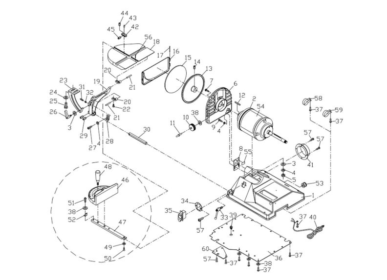
From jettools.com
JSG96 Disc Sander Assembly JET Tools Jet Jsg-96 Manual Its purpose, aside from machine operation, is to promote safety through the. Find the user manual you need for your tools and more at manualsonline. this manual is provided by walter meier (manufacturing) inc., covering the safe operation and maintenance procedures for a. power tool manuals and free pdf instructions. Jet Jsg-96 Manual.
From jettools.com
JSG96 Belt Sander Assembly JET Tools Quality Woodworking Tools Jet Jsg-96 Manual this manual is provided by walter meier (manufacturing) inc., covering the safe operation and maintenance procedures for a. power tool manuals and free pdf instructions. Find the user manual you need for your tools and more at manualsonline. Its purpose, aside from machine operation, is to promote safety through the. Jet Jsg-96 Manual.